Yardman Lawn Mower Parts Manual - 1964 Vintage Yard Man Riding Mower Cutting Unit Parts Manual 3120 4 On Popscreen - Enter your model number in the search box above or just choose from the list below.

Info Populer 2022

Yardman Lawn Mower Parts Manual - 1964 Vintage Yard Man Riding Mower Cutting Unit Parts Manual 3120 4 On Popscreen - Enter your model number in the search box above or just choose from the list below.

Yardman Lawn Mower Parts Manual - 1964 Vintage Yard Man Riding Mower Cutting Unit Parts Manual 3120 4 On Popscreen - Enter your model number in the search box above or just choose from the list below.
Yardman Lawn Mower Parts Manual - 1964 Vintage Yard Man Riding Mower Cutting Unit Parts Manual 3120 4 On Popscreen - Enter your model number in the search box above or just choose from the list below.

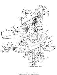
Yardman Lawn Mower Parts Manual - 1964 Vintage Yard Man Riding Mower Cutting Unit Parts Manual 3120 4 On Popscreen - Enter your model number in the search box above or just choose from the list below.. We carry everything for your machine and the parts diagram helps visualize every component found in your equipment. Our diverse lineup of quality lawn equipment with great features gets the job done fast, allowing you to focus on what's important in life. Jack's carries a wide selection of yardman replacement parts including, baffles, belts, blades, decks, fenders, gear cases, idlers, shear pins, triggers, and more. Same as the cub cadet, craftsman, & white clones. Mtd yard man 550 series 158 cc sure cut mulch lawn mower oil dip stick gauge.

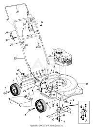
When the control handle is engaged the mower blade will begin to rotate, when the handle is released the blade will stop. 33939 views • sep 22, 2017 • faq. Enter your yardman model number below. No refunds will be made for shipping and handling charges. The control cable connects to the control handle of the lawn mower.

Mtd Lawn Mower 124 478c302 Ereplacementparts Com
Mtd Lawn Mower 124 478c302 Ereplacementparts Com from www.ereplacementparts.com
Mtd yard man 550 series 158 cc sure cut mulch lawn mower oil dip stick gauge. Mtd yard man yard bug grass catching riding mower. Knowing your outdoor power equipment's model number and serial number will ensure that you find the correct operator's manual for your equipment With proper maintenance and upkeep, you can expect to enjoy the capabilities these lawn machines have to offer for many years to come. Questions & answers fig # 3 nut. Here are a few tips to make sure your mower is prepared. ( 0.0) out of 5 stars. Search for your yardman model.

Before you know it, you may find yourself on an indiana jones treasure hunt.

This is the most current. Mtd cub cadet 2000 series tractor service manual. Before you know it, you may find yourself on an indiana jones treasure hunt. Click the search button to see more results. 33939 views • sep 22, 2017 • faq. We carry everything for your machine and the parts diagram helps visualize every component found in your equipment. Our diverse lineup of quality lawn equipment with great features gets the job done fast, allowing you to focus on what's important in life. Parts lookup for yardman power equipment is simpler than ever. Questions & answers fig # 3 nut. When the control handle is engaged the mower blade will begin to rotate, when the handle is released the blade will stop. No refunds will be made for shipping and handling charges. We carry everything for your machine and the parts diagram helps visualize every component found in your equipment. Same as the cub cadet, craftsman, & white clones.

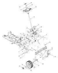
When the control handle is engaged the mower blade will begin to rotate, when the handle is released the blade will stop. Mtd cub cadet 1000 1500 series tractor service manual. We carry everything for your machine and the parts diagram helps visualize every component found in your equipment. Operating instructions and parts list. Neat little riding lawn mower with an 8.5 horsepower bri.

25 Tractor Ideas In 2021 Lawn Tractor Tractors Lawn Mower Repair
25 Tractor Ideas In 2021 Lawn Tractor Tractors Lawn Mower Repair from i.pinimg.com
Here is a picture gallery about yardman lawn mower parts diagram complete with the description of the image, please find the image you need. Mtd cub cadet 1000 1500 series tractor service manual. If ordering parts from a manual downloaded at this site, the customer is responsible for selecting the correct manual and parts. The control cable connects to the control handle of the lawn mower. Knowing your outdoor power equipment's model number and serial number will ensure that you find the correct operator's manual for your equipment Search for your yardman model. Mtd yard man yard bug grass catching riding mower. Click the search button to see more results.

The control cable connects to the control handle of the lawn mower.

Lawn mower manual john deere d130 manual briggs and stratton engine repair manual craftsman lt1000 manual craftsman riding lawn mower parts manual troy bilt lawn mower manual toro self propelled lawn mower repair manual best manual lawn mower worx landroid manual husqvarna mower manual mtd service. We carry everything for your machine and the parts diagram helps visualize every component found in your equipment. Learn which maintenance tasks you should perform on your riding lawn mower to get it ready for spring. If you bought your lawn mower, trimmer, or other lawn and garden equipment a long time ago, it may be tough to find your manual. With proper maintenance and upkeep, you can expect to enjoy the capabilities these lawn machines have to offer for many years to come. This is a genuine oem replacement part, it is sold individually. The control cable connects to the control handle of the lawn mower. Search for your yardman model. Click the search button to see more results. Neat little riding lawn mower with an 8.5 horsepower bri. Knowing your outdoor power equipment's model number and serial number will ensure that you find the correct operator's manual for your equipment Before you know it, you may find yourself on an indiana jones treasure hunt. Mtd cub cadet 1000 1500 series tractor service manual.

Before you know it, you may find yourself on an indiana jones treasure hunt. Mtd cub cadet 1000 1500 series tractor service manual. Mtd cub cadet 2000 series tractor service manual. Click the search button to see more results. This is a genuine oem replacement part, it is sold individually.

Owner S Operator S Manual For Mtd 20 Inch Yard Man Mulching Lawn Mower Model 573 Mtd Llc Amazon Com Books
Owner S Operator S Manual For Mtd 20 Inch Yard Man Mulching Lawn Mower Model 573 Mtd Llc Amazon Com Books from images-na.ssl-images-amazon.com
Neat little riding lawn mower with an 8.5 horsepower bri. Jack's carries a wide selection of yardman replacement parts including, baffles, belts, blades, decks, fenders, gear cases, idlers, shear pins, triggers, and more. This is the most current. When the control handle is engaged the mower blade will begin to rotate, when the handle is released the blade will stop. Enter your yardman model number below. Our lawn mower manual library might not be as old as raiders of the lost ark, but it expands every day.so, there is a good chance that you will find what you're looking for. Enter your model number in the search box above or just choose from the list below. This is a genuine oem replacement part, it is sold individually.

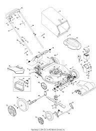
The control cable connects to the control handle of the lawn mower.

Mtd yard man 550 series 158 cc sure cut mulch lawn mower oil dip stick gauge. Here are a few tips to make sure your mower is prepared. 33939 views • sep 22, 2017 • faq. If ordering parts from a manual downloaded at this site, the customer is responsible for selecting the correct manual and parts. If you bought your lawn mower, trimmer, or other lawn and garden equipment a long time ago, it may be tough to find your manual. No refunds will be made for shipping and handling charges. Operating instructions and parts list. Enter your yardman model number below. Mtd cub cadet 2000 series tractor service manual. Neat little riding lawn mower with an 8.5 horsepower bri. Search for your yardman model. Yard man 12aeb2ja001 (2011) self propelled lawn mower parts. Mtd cub cadet 1000 1500 series tractor service manual.

Advertisement

Iklan Sidebar